Clock Distribution

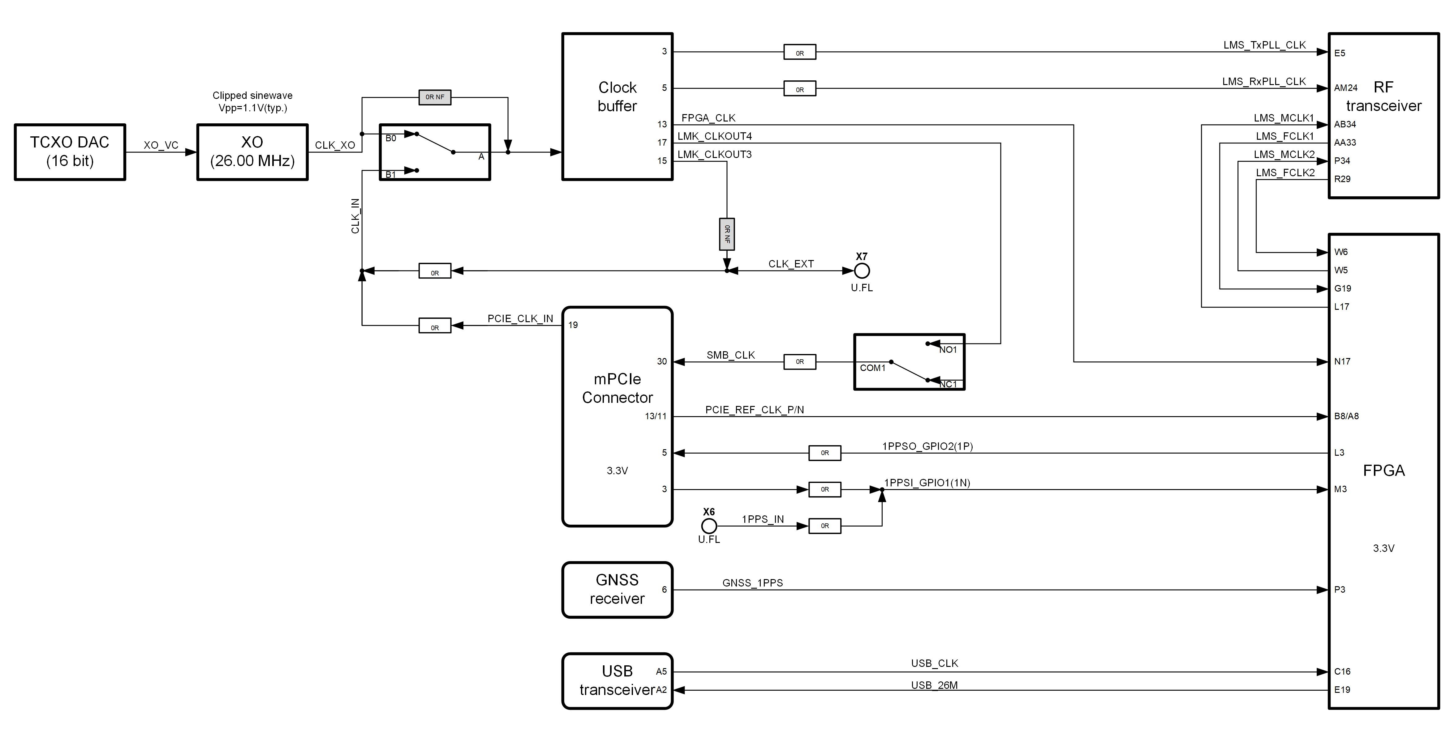
Clock distribution is as shown in Figure 7.

../../_images/LimeSDR-XTRX_v1.3_diagrams_clock.png

Figure 7. LimeSDR XTRX v1.3 board clock distribution block diagram

LimeSDR XTRX board features an on board 26.00 MHz VCTCXO as the reference clock for LMS7002M RF transceiver and FPGA PLLs.

Rakon E6982LF 26.00 MHz voltage controlled temperature compensated crystal oscillator (VCTCXO) is the clock source for the board. VCTCXO frequency may be tuned by using 16 bit DAC (IC17). Main VCTCXO parameters are listed in Table 5.

Table 5. Rakon E6982LF VCTCXO main parameters

Frequency parameter

Value

Calibration (25°C ± 1°C)

± 1 ppm max

Stability (-40 to 85 °C)

± 0.2 max

Long term stability (1 year, 3 years)

± 1 ppm max, ± 2 ppm max

Control voltage range

0.5V .. 2.8V

Frequency tuning

± 3 ppm

Slope

+4 ppm/V

Analogue switch gives option to select clock source for RF transceiver and FPGA from buffered VCTCXO onboard clock XO1 (CLK_XO) and external U.FL (X7)/mPCIe (X10) sources (CLK_IN). Buffered VCXO clock (LMK_CLKOUT3 and LMK_CLKOUT4) can also be fed to other board using U.FL (X7)/mPCIe (X10)connectors.

The board clock lines and other related signals/information are listed in Table 6.

Table 6. LimeSDR XTRX main clock lines

Schematic signal name

Source

Destination

I/O standard

CLK_XO

(VC)TCXO (XO1)

Analog mux

Clipped sinewave

CLK_IN

CLK_EXT or PCIE_CLK_IN

Analog mux

3.3V

CLK_EXT

U.FL connector

CLK_IN

3.3V

PCIE_CLK_IN

mPCIe connector

CLK_IN

3.3V

LMS_TxPLL_CLK

Analog mux

RF transceiver

1.8V

LMS_RxPLL_CLK

Analog mux

RF transceiver

1.8V

FPGA_CLK

Analog mux

FPGA

3.3V

LMK_CLKOUT3

Analog mux

External

3.3V

LMK_CLKOUT4

Analog mux

External

3.3V

LMS_MCLK1

RF transceiver

FPGA

3.3V

LMS_FCLK1

FPGA

RF transceiver

3.3V

LMS_MCLK2

RF transceiver

FPGA

3.3V

LMS_FCLK2

FPGA

RF transceiver

3.3V

PCIE_REF_CLK_P/N

PCIe

FPGA

3.3V

1PPSO_GPIO2(1P)

FPGA

mPCIe

3.3V

1PPSI_GPIO1(1N)

External

FPGA

3.3V

1PPS_IN

External

FPGA

3.3V

GNSS_1PPS

GNSS

FPGA

3.3V