LimePSB RPCM v1.3 Board
Introduction
LimePSB RPCM v1.3 Board Key Features
The LimePSB RPCM is carrier board for Raspberry Pi Compute Module 4 or 5 (CM4 or CM5) and mPCIe card (by default LimeSDR XTRX board). LimePSB RPCM carrier board provides a hardware platform for developing and prototyping high-performance designs based on Raspberry Pi CM4 or CM5, RF front end, clock network and mPCIe card. It allows user to use the board in SDR, LoRa and other applications.
Figure 1: LimePSB RPCM v1.3 board top view
Figure 2: LimePSB RPCM v1.3 board bottom view
LimePSB RPCM board features:
Connectors:
Raspberry CM4 and CM5 connector (dual row)
USB 2.0 Type-C socket (USB boot and power delivery)
Dual USB 3.0 (type A) socket (downstream ports) or Front Panel USB 2.0 header (unpopulated)
Ethernet jack (Gigabit Ethernet with PoE)
mini PCIe x1 Gen 2 (5Gbps)
2x HDMI 2.0 receptacle (up to 4Kp60 supported)
2x 15-pin FPC connectors for MIPI DSI display and CSI camera
3.5 mm 4-pin jack for analog audio and composite video
uSD card socket
Nano-SIM socket
Coaxial RF (4x SMA female + 4x U.FL female) connectors for RF front end
Coaxial pass-through U.FL to external SMA connector
20-pin Raspberry CM4 GPIO header (3.3V)
14-pin Raspberry CM4 SYS header
5-pin front display connector (power, I2C, button)
Raspberry CM4 UART0 header (unpopulated)
2-pin and 4-pin FAN connector (5V default or 3.3V or VCC_INT voltage)
RF front end:
Configuration: MIMO (2x TRX, 2x RX)
LNAs, PAs, RF switches, power and mode control (TDD and FDD)
Miscellaneous:
o FPGA Lattice iCE40 Ultra family (iCELP4K)
Board temperature sensor
FAN controller
EEPROM
Secure key storage, I/O expander
RTC, ADC
USB 2.0 hub
Configuration dip switch
General user inputs/outputs:
4x general purpose Dual colour (RG) LEDs
20 pin CM4/5 GPIO header (3.3V)
Front button
Buzzer
Clock system:
GNSS receiver
30.72MHz and 10 MHz (default) on board VCOCXOs and 30.72/38.4/40.00MHz (optional) VCTCXOs
Possibility to tune on board XO by on-board DAC or by phase detector to match a reference clock input (e.g. 10MHz).
Reference clock/PPS input and output SMA connectors (EXT_SYNC_IN and EXT_SYNC_OUT)
Possibility to synchronize multiple boards using coaxial SMA connectors (EXT_SYNC_IN and EXT_SYNC_OUT)
Board power sources:
Barrel (9-14V, 2-3A)
USB Power Delivery (12V 1.5A or 2.5A)
PoE (12V, 2A)
For more information on the following topics, refer to the folowing documents:
Board Overview
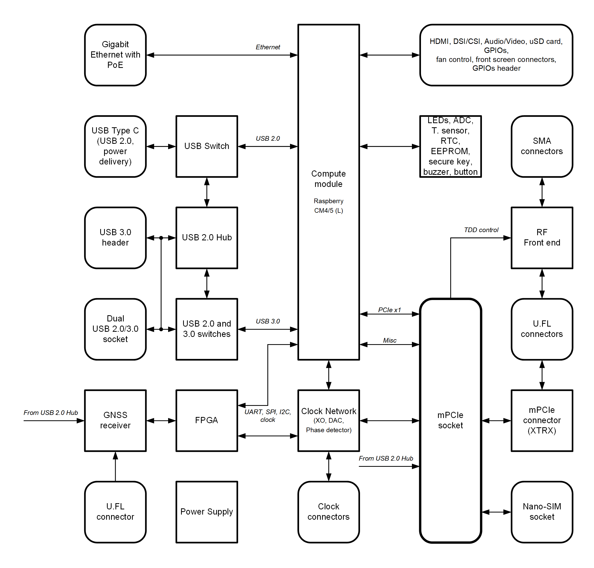
he heart of the LimePSB RPCM carrier board is Raspberry PI Compute Module 4 or Compute Module 5 which may be used to transfer digital data between the CM4/5 and mPCIe board while performing data processing. The block diagram for LimePSB RPCM board is as shown in Figure 3.
Figure 3. LimePSB RPCM v1.3 carrier Board Block Diagram
LimePSB RPCM board picture with highlighted connectors and main components are presented in Figure 4 and Figure 5.
Figure 4. LimePSB RPCM v1.3 board top connectors and main components
Figure 5. LimePSB RPCM v1.3 board bottom connectors and main components
Board components are described in the Table 1.
Miscellaneous devices |
||
|---|---|---|
Board Reference |
Type |
Description |
IC17 |
FPGA |
Lattice iCE40 Ultra family (iCELP4K) |
IC18 |
IC |
FPGA configuration flash (16 MBIT) |
IC7 |
IC |
I²C temperature sensor LM75 |
IC8/IC9 |
IC |
I²C EEPROM Memory 128Kb (16K x 8), connected to RF transceiver I2C bus |
IC11/IC12 |
IC |
I²C secure key storage |
IC14/IC15 |
IC |
I²C Real time clock |
IC6 |
IC |
8 channel 12 bit ADC |
IC13 |
IC |
I²C I/O expander |
IC19 |
IC |
USB2.0 HUB |
IC20, IC25, IC26, IC28, IC29 |
IC |
USB switch |
J24, J23 |
Pin header |
2-pin and 4-pin FAN connector (5V default or 3.3V or VCC_INT voltage) |
Configuration, Status, Setup Elements and GPIOs |
||
LED1, LED2, LED3, LED4 |
Red-green status LEDs |
User defined indication LED |
LED5 |
Red-green status LEDs |
Raspberry CM4/5 status |
LED6 |
Green status LED |
Power indication LED |
LED7 |
Red-green status LEDs |
FPGA status |
BZ1 |
Buzzer |
User defined |
J12 |
Header |
14-pin Raspberry CM4 SYS header |
J5 |
Header |
Power control and PG status |
J6 |
Header |
Wireless LAN and Bluetooth control |
J10 |
Header |
20-pin CM4 GPIO header |
J25 |
Header |
FPGA configuration |
SW1 |
DIP switch |
Boot and USB configuration |
RF front end |
||
IC44, IC45 |
IC |
PA TQP3M9018 |
IC48, IC49 |
IC |
LNA SPF5043Z |
IC43, IC44, IC46, IC47 |
IC |
RF switch SKY13286 |
Communication Ports |
||
J1, J2 |
Connector |
Raspberry Pi CM4(L)/5 connectors |
J11 |
Header |
Raspberry CM4 UART0 header (unpopulated) |
J8 |
Header |
5-pin front screen connector (power, I2C, button) |
J26 |
USB |
USB 2.0 (Type-C) socket |
J30 |
USB |
Dual USB 3.0 (Type-A) socket |
J9 |
Ethernet |
Gigabit RJ45 (Ethernet with magnetics) port |
J31, J32 |
HDMI |
HDMI 2.0 socket |
J15, J16 |
LVDS |
FPC 15-pin for display and camera |
J14, J17 |
Audio/Video |
3.5 mm jack, Header (unpopulated) |
J7 |
SDIO |
Micro SD card holder |
J4 |
Nano-SIM |
Nano-SIM card holder |
J3 |
Mini PCIe |
Mini PCIe x1 expansion slot |
Clock Circuitry |
||
XO1 |
VCOCXO |
30.72 MHz VCOCXO |
XO6 |
VCOCXO |
10 MHz VCOCXO |
XO2, XO7 |
VCTCXO |
30.72 MHz VCTCXO |
XO3, XO8 |
VCTCXO |
30.72 MHz VCTCXO |
XO4, XO9 |
VCTCXO |
40.00 MHz VCTCXO |
XO5, XO10 |
VCTCXO |
38.40 MHz VCTCXO |
IC40 |
IC |
GNSS receiver |
IC33 (IC35) |
IC |
16 (8) bit DAC for XOs VC tuning |
IC39 |
IC |
RPi sync mux |
IC30, IC36 |
IC |
Clock buffer |
IC34 |
IC |
Phase detector |
J34 |
SMA connector |
Reference clock input EXT_SYNC_IN |
J37 |
SMA connector |
Reference clock output EXT_SYNC_OUT |
J33, J35 |
U.FL connector |
Reference clock output |
J22/J20, J21 |
Multiple |
Internal connector J20/J22 to external SMA J21 |
J44 |
U.FL connector |
External GNSS antenna |
Power Supply |
||
IC57 |
IC |
Switching regulator ADP2386 (3.3V rail) |
IC58 |
IC |
Switching regulator ADP2386 (5.0V rail) |
IC59, IC64 |
IC |
Linear regulator AP7361-FGE (3.3V rail) |
IC61 |
IC |
Linear regulator AP7361-FGE (2.5V rail) |
IC63 |
IC |
Linear regulator AP7361-FGE (1.5V rail) |
IC60 |
IC |
Linear regulator AP7361-FGE (1.5V rail) |
IC62 |
IC |
Voltage reference AS431ANTR-G1 (2.5V rail) |
LimePSB RPCM Board Architecture
This chapter is dedicated for detailed description of LimePSB RPCM board components and interconnections.
Raspberry CM4/5 Connector
LimePSB RPCM board is designed to use Raspberry Pi CM4/5 as a host computer. Raspberry Pi CM4/5L version without eMMC Flash memory is also supported. Board to board connectors (J1 and J2) are used to connect CM4/5 to the LimePSB RPCM board. Connector pinout, CM4 and CM5 signals and schematic signal names are listed and described in Table 2.
CM4 Pin |
CM4 reference |
Schematic signal name |
Description [1] |
1 |
GND |
GND |
Ground (0V) |
2 |
GND |
GND |
Ground (0V) |
3 |
Ethernet_Pair3_P |
ETH_TRD3_P |
Ethernet pair 3 positive |
4 |
Ethernet_Pair1_P |
ETH_TRD1_P |
Ethernet pair 1 positive |
5 |
Ethernet_Pair3_N |
ETH_TRD3_N |
Ethernet pair 3 negative |
6 |
Ethernet_Pair1_N |
ETH_TRD1_N |
Ethernet pair 1 negative |
7 |
GND |
GND |
Ground (0V) |
8 |
GND |
GND |
Ground (0V) |
9 |
Ethernet_Pair2_N |
ETH_TRD2_N |
Ethernet pair 2 negative |
10 |
Ethernet_Pair0_N |
ETH_TRD0_N |
Ethernet pair 0 negative |
11 |
Ethernet_Pair2_P |
ETH_TRD2_P |
Ethernet pair 2 positive |
12 |
Ethernet_Pair0_P |
ETH_TRD0_P |
Ethernet pair 0 positive |
13 |
GND |
GND |
Ground (0V) |
14 |
GND |
GND |
Ground (0V) |
15 |
Ethernet_nLED3 |
ETH_LED_Y |
Ethernet activity indicator |
16 |
Ethernet_SYNC_IN |
RPI_PIN16 |
IEEE1588 SYNC Input |
17 |
Ethernet_nLED2 |
ETH_LED_G |
Ethernet speed indicator |
18 |
Ethernet_SYNC_OUT |
RPI_PIN18 |
IEEE1588 SYNC Output |
19 |
Ethernet_nLED1 |
NC |
Ethernet speed indicator |
20 |
EEPROM_nWP |
RPI_EEPROM_nWP |
EEPROM write protect |
21 |
Pi_nLED_Activity |
RPI_STATUS_LED_R |
Pi activity LED |
22 |
GND |
GND |
Ground (0V) |
23 |
GND |
GND |
Ground (0V) |
24 |
GPIO26 |
PCIE_LED_WPAN |
General purpose |
25 |
GPIO21 |
RPI_SPI1_SCLK |
General purpose |
26 |
GPIO19 |
RPI_SPI1_MISO |
General purpose |
27 |
GPIO20 |
RPI_SPI1_MOSI |
General purpose |
28 |
GPIO13 |
RPI_PWM1 |
General purpose |
29 |
GPIO16 |
RPI_SPI1_SS2 |
General purpose |
30 |
GPIO6 |
PCIE_LED_WWAN |
General purpose |
31 |
GPIO12 |
RPI_PWM0 |
General purpose |
32 |
GND |
GND |
Ground (0V) |
33 |
GND |
GND |
Ground (0V) |
34 |
GPIO5 |
BUZZER |
General purpose |
35 |
ID_SC |
RPI_ID_SC |
BCM2711 GPIO 1 |
36 |
ID_SD |
RPI_ID_SD |
BCM2711 GPIO 0 |
37 |
GPIO7 |
RPI_SPI0_SS1 |
General purpose |
38 |
GPIO11 |
RPI_SPI0_SCLK |
General purpose |
39 |
GPIO8 |
RPI_SPI0_SS0 |
General purpose |
40 |
GPIO9 |
RPI_SPI0_MISO |
General purpose |
41 |
GPIO25 |
PCIE_LED_WLAN |
General purpose |
42 |
GND |
GND |
Ground (0V) |
43 |
GND |
GND |
Ground (0V) |
44 |
GPIO10 |
RPI_SPI0_MOSI |
General purpose |
45 |
GPIO24 |
RPI_BTN1 |
General purpose |
46 |
GPIO22 |
RPI_GPIO22 |
General purpose |
47 |
GPIO23 |
RPI_BTN2 |
General purpose |
48 |
GPIO27 |
RPI_GPIO27 |
General purpose |
49 |
GPIO18 |
RPI_SPI1_SS0 |
General purpose |
50 |
GPIO17 |
RPI_SPI1_SS1 |
General purpose |
51 |
GPIO15 |
RPI_UART0_RX |
General purpose |
52 |
GND |
GND |
Ground (0V) |
53 |
GND |
GND |
Ground (0V) |
54 |
GPIO4 |
RPI_GPIO4 |
General purpose |
55 |
GPIO14 |
RPI_UART0_TX |
General purpose |
56 |
GPIO3 |
ADF_MUXOUT |
General purpose |
57 |
SD_CLK |
RPI_SD_CLK |
SD card clock signal |
58 |
GPIO2 |
RPI_GPIO2 |
General purpose |
59 |
GND |
GND |
Ground (0V) |
60 |
GND |
GND |
Ground (0V) |
61 |
SD_DAT3 |
RPI_SD_D3 |
SD card/eMMC Data3 signal |
62 |
SD_CMD |
RPI_SD_CMD |
SD card/eMMC Command signal |
63 |
SD_DAT0 |
RPI_SD_D0 |
SD card/eMMC Data0 signal |
64 |
SD_DAT5 |
NC |
SD card/eMMC Data5 signal |
65 |
GND |
GND |
Ground (0V) |
66 |
GND |
GND |
Ground (0V) |
67 |
SD_DAT1 |
RPI_SD_D1 |
SD card/eMMC Data1 signal |
68 |
SD_DAT4 |
NC |
SD card/eMMC Data4 signal |
69 |
SD_DAT2 |
RPI_SD_D2 |
SD card/eMMC Data2 signal |
70 |
SD_DAT7 |
NC |
SD card/eMMC Data7 signal |
71 |
GND |
GND |
Ground (0V) |
72 |
SD_DAT6 |
NC |
SD card/eMMC Data6 signal |
73 |
SD_VDD_Override |
NC |
Force SD card/eMMC interface |
74 |
GND |
GND |
Ground (0V) |
75 |
SD_PWR_ON |
RPI_SD_PWR_ON |
Output to power-switch for the SD card |
76 |
Reserved |
RPI_VBAT |
Do not connect |
77 |
+5V (Input) |
VCC5P0 |
4.75V-5.25V. Main power input |
78 |
GPIO_VREF |
VCC3P3 |
GPIO reference voltage |
79 |
+5V (Input) |
VCC5P0 |
4.75V-5.25V. Main power input |
80 |
SCL0 |
RPI_I2C0_SCL |
I2C clock pin |
81 |
+5V (Input) |
VCC5P0 |
4.75V-5.25V. Main power input |
82 |
SDA0 |
RPI_I2C0_SDA |
I2C Data pin |
83 |
+5V (Input) |
VCC5P0 |
4.75V-5.25V. Main power input |
84 |
CM4_3.3V (Output) |
VCC3P3_RPI |
3.3V ± 2.5%. Power Output |
85 |
+5V (Input) |
VCC5P0 |
4.75V-5.25V. Main power input |
86 |
CM4_3.3V (Output) |
VCC3P3_RPI |
3.3V ± 2.5%. Power Output |
87 |
+5V (Input) |
VCC5P0 |
4.75V-5.25V. Main power input |
88 |
CM4_1.8V (Output) |
VCC1P8_RPI |
1.8V ± 2.5%. Power Output |
89 |
WL_nDisable |
RPI_WL_nDISABLE |
Wireless interface disable |
90 |
CM4_1.8V (Output) |
VCC1P8_RPI |
1.8V ± 2.5%. Power Output |
91 |
BT_nDisable |
RPI_BT_nDISABLE |
Bluetooth interface disable |
92 |
RUN_PG |
RPI_RUN_PG |
CM4 CPU reset/power good |
93 |
nRPIBOOT |
RPI_nRPIBOOT |
booting from an RPI server |
94 |
AnalogIP1 |
RPI_AIP1 |
Analogue input |
95 |
PI_LED_nPWR |
RPI_LED_nPWR |
Power On LED |
96 |
AnalogIP0 |
RPI_AIP0 |
Analogue input |
97 |
Camera_GPIO |
CAM1_GPIO0 |
Used to shut down the camera |
98 |
GND |
GND |
Ground (0V) |
99 |
GLOBAL_EN |
RPI_GLOBAL_EN |
CM4 enable |
100 |
nEXTRST |
RPI_nEXTRST |
Output. Driven low during reset |
101 |
USB_OTG_ID |
RPI_USB_OTG_ID |
USB OTG Pin |
102 |
PCIe_CLK_nREQ |
RPI_PCIE_CLK_nREQ |
PCIe clock request |
103 |
USB_N |
RPI_USB_D_N |
USB D- |
104 |
Reserved |
NC |
Do not connect |
105 |
USB_P |
RPI_USB_D_P |
USB D+ |
106 |
Reserved |
RPI_PCIE_DET_nWAKE |
Do not connect |
107 |
GND |
GND |
Ground (0V) |
108 |
GND |
GND |
Ground (0V) |
109 |
PCIe_nRST |
RPI_PCIE_nRST |
PCIe reset |
110 |
PCIe_CLK_P |
RPI_PCIE_CLK_P |
PCIe clock Out positive |
111 |
VDAC_COMP |
RPI_PIN11 |
Video DAC output |
112 |
PCIe_CLK_N |
RPI_PCIE_CLK_N |
PCIe clock Out negative |
113 |
GND |
GND |
Ground (0V) |
114 |
GND |
GND |
Ground (0V) |
115 |
CAM1_D0_N |
CAM1_D0_N |
Input Camera1 D0 negative |
116 |
PCIe_RX_P |
RPI_PCIE_RX_P |
Input PCIe GEN 2 RX positive |
117 |
CAM1_D0_P |
CAM1_D0_P |
Input Camera1 D0 positive |
118 |
PCIe_RX_N |
RPI_PCIE_RX_N |
Input PCIe GEN 2 RX negative |
119 |
GND |
GND |
Ground (0V) |
120 |
GND |
GND |
Ground (0V) |
121 |
CAM1_D1_N |
CAM1_D1_N |
Input Camera1 D1 negative |
122 |
PCIe_TX_P |
RPI_PCIE_TX_P |
Output PCIe GEN 2 TX positive |
123 |
CAM1_D1_P |
CAM1_D1_P |
Input Camera1 D1 positive |
124 |
PCIe_TX_N |
RPI_PCIE_TX_N |
Output PCIe GEN 2 TX positive |
125 |
GND |
GND |
Ground (0V) |
126 |
GND |
GND |
Ground (0V) |
127 |
CAM1_C_N |
CAM1_CLK_N |
Input Camera1 clock negative |
128 |
CAM0_D0_N |
RPI_USB3_RX0_N |
Input Camera0 D0 negative |
129 |
CAM1_C_P |
CAM1_CLK_P |
Input Camera1 clock positive |
130 |
CAM0_D0_P |
RPI_USB3_RX0_P |
Input Camera0 D0 positive |
131 |
GND |
GND |
Ground (0V) |
132 |
GND |
GND |
Ground (0V) |
133 |
CAM1_D2_N |
NC |
Input Camera1 D2 negative |
134 |
CAM0_D1_N |
RPI_USB3_D0_P |
Input Camera0 D1 negative |
135 |
CAM1_D2_P |
NC |
Input Camera1 D2 positive |
136 |
CAM0_D1_P |
RPI_USB3_D0_N |
Input Camera0 D1 positive |
137 |
GND |
GND |
Ground (0V) |
138 |
GND |
GND |
Ground (0V) |
139 |
CAM1_D3_N |
NC |
Input Camera1 D3 negative |
140 |
CAM0_C_N |
RPI_USB3_TX0_N |
Input Camera0 clock negative |
141 |
CAM1_D3_P |
NC |
Input Camera1 D3 positive |
142 |
CAM0_C_P |
RPI_USB3_TX0_P |
Input Camera0 clock positive |
143 |
HDMI1_HOTPLUG |
HDMI1_HOTPLUG |
Input HDMI1 hotplug |
144 |
GND |
GND |
Ground (0V) |
145 |
HDMI1_SDA |
HDMI1_SDA |
A Bidirectional HDMI1 SDA |
146 |
HDMI1_TX2_P |
HDMI1_D2_P |
Output HDMI1 TX2 positive |
147 |
HDMI1_SCL |
HDMI1_SCL |
Bidirectional HDMI1 SCL |
148 |
HDMI1_TX2_N |
HDMI1_D2_N |
Output HDMI1 TX2 negative |
149 |
HDMI1_CEC |
HDMI1_CEC |
Input HDMI1 CEC |
150 |
GND |
GND |
Ground (0V) |
151 |
HDMI0_CEC |
HDMI0_CEC |
Input HDMI0 CEC |
152 |
HDMI1_TX1_P |
HDMI1_D1_P |
Output HDMI1 TX1 positive |
153 |
HDMI0_HOTPLUG |
HDMI0_HPD |
Input HDMI0 hotplug |
154 |
HDMI1_TX1_N |
HDMI1_D1_N |
Output HDMI1 TX1 negative |
155 |
GND |
GND |
Ground (0V) |
156 |
GND |
GND |
Ground (0V) |
157 |
DSI0_D0_N |
RPI_USB3_RX1_N |
Output Display0 D0 negative |
158 |
HDMI1_TX0_P |
HDMI1_D0_P |
Output HDMI1 TX0 positive |
159 |
DSI0_D0_P |
RPI_USB3_RX1_P |
Output Display0 D0 positive |
160 |
HDMI1_TX0_N |
HDMI1_D0_N |
Output HDMI1 TX0 negative |
161 |
GND |
GND |
Ground (0V) |
162 |
GND |
GND |
Ground (0V) |
163 |
DSI0_D1_N |
RPI_USB3_D1_P |
Output Display0 D1 negative |
164 |
HDMI1_CLK_P |
HDMI1_CLK_P |
Output HDMI1 clock positive |
165 |
DSI0_D1_P |
RPI_USB3_D1_N |
Output Display0 D1 positive |
166 |
HDMI1_CLK_N |
HDMI1_CLK_N |
Output HDMI1 clock negative |
167 |
GND |
GND |
Ground (0V) |
168 |
GND |
GND |
Ground (0V) |
169 |
DSI0_C_N |
RPI_USB3_TX1_N |
Output Display0 clock negative |
170 |
HDMI0_TX2_P |
HDMI0_D2_P |
Output HDMI0 TX2 positive |
171 |
DSI0_C_P |
RPI_USB3_TX1_P |
Output Display0 clock positive |
172 |
HDMI0_TX2_N |
HDMI0_D2_N |
Output HDMI0 TX2 negative |
173 |
GND |
GND |
Ground (0V) |
174 |
GND |
GND |
Ground (0V) |
175 |
DSI1_D0_N |
DSI1_D0_N |
Output Display1 D0 negative |
176 |
HDMI0_TX1_P |
HDMI0_D1_P |
Output HDMI0 TX1 positive |
177 |
DSI1_D0_P |
DSI1_D0_P |
Output Display1 D0 positive |
178 |
HDMI0_TX1_N |
HDMI0_D1_N |
Output HDMI0 TX1 negative |
179 |
GND |
GND |
Ground (0V) |
180 |
GND |
GND |
Ground (0V) |
181 |
DSI1_D1_N |
DSI1_D1_N |
Output Display1 D1 negative |
182 |
HDMI0_TX0_P |
HDMI0_D0_P |
Output HDMI0 TX0 positive |
183 |
DSI1_D1_P |
DSI1_D1_P |
Output Display1 D1 positive |
184 |
HDMI0_TX0_N |
HDMI0_D0_N |
Output HDMI0 TX0 negative |
185 |
GND |
GND |
Ground (0V) |
186 |
GND |
GND |
Ground (0V) |
187 |
DSI1_C_N |
DSI1_CLK_N |
Output Display1 clock negative |
188 |
HDMI0_CLK_P |
HDMI0_CLK_P |
Output HDMI0 clock positive |
189 |
DSI1_C_P |
DSI1_CLK_P |
Output Display1 clock positive |
190 |
HDMI0_CLK_N |
HDMI0_CLK_N |
Output HDMI0 clock negative |
191 |
GND |
GND |
Ground (0V) |
192 |
GND |
GND |
Ground (0V) |
193 |
DSI1_D2_N |
NC |
Output Display1 D2 negative |
194 |
DSI1_D3_N |
NC |
Output Display1 D3 negative |
195 |
DSI1_D2_P |
NC |
Output Display1 D2 positive |
196 |
DSI1_D3_P |
NC |
Output Display1 D3 positive |
197 |
GND |
GND |
Ground (0V) |
198 |
GND |
GND |
Ground (0V) |
199 |
HDMI0_SDA |
HDMI0_SDA |
Bidirectional HDMI0 SDA |
200 |
HDMI0_SCL |
HDMI0_SCL |
Bidirectional HDMI0 SCL |
CM4 Pin |
CM4 reference |
Schematic signal name |
Description [2] |
1 |
GND |
GND |
Ground (0V) |
2 |
GND |
GND |
Ground (0V) |
3 |
Ethernet_Pair3_P |
ETH_TRD3_P |
Ethernet pair 3 positive |
4 |
Ethernet_Pair1_P |
ETH_TRD1_P |
Ethernet pair 1 positive |
5 |
Ethernet_Pair3_N |
ETH_TRD3_N |
Ethernet pair 3 negative |
6 |
Ethernet_Pair1_N |
ETH_TRD1_N |
Ethernet pair 1 negative |
7 |
GND |
GND |
Ground (0V) |
8 |
GND |
GND |
Ground (0V) |
9 |
Ethernet_Pair2_N |
ETH_TRD2_N |
Ethernet pair 2 negative |
10 |
Ethernet_Pair0_N |
ETH_TRD0_N |
Ethernet pair 0 negative |
11 |
Ethernet_Pair2_P |
ETH_TRD2_P |
Ethernet pair 2 positive |
12 |
Ethernet_Pair0_P |
ETH_TRD0_P |
Ethernet pair 0 positive |
13 |
GND |
GND |
Ground (0V) |
14 |
GND |
GND |
Ground (0V) |
15 |
Ethernet_nLED3 |
ETH_LED_Y |
Ethernet activity indicator |
16 |
Fan_Tacho |
RPI_PIN16 |
Fan Tacho Input pin |
17 |
Ethernet_nLED2 |
ETH_LED_G |
Ethernet speed indicator |
18 |
Ethernet_SYNC_OUT |
RPI_PIN18 |
IEEE1588 SYNC Output |
19 |
Fan_PWM |
NC |
Open drain output |
20 |
EEPROM_nWP |
RPI_EEPROM_nWP |
EEPROM write protect |
21 |
Pi_nLED_Activity |
RPI_STATUS_LED_R |
Pi activity LED |
22 |
GND |
GND |
Ground (0V) |
23 |
GND |
GND |
Ground (0V) |
24 |
GPIO26 |
PCIE_LED_WPAN |
General purpose |
25 |
GPIO21 |
RPI_SPI1_SCLK |
General purpose |
26 |
GPIO19 |
RPI_SPI1_MISO |
General purpose |
27 |
GPIO20 |
RPI_SPI1_MOSI |
General purpose |
28 |
GPIO13 |
RPI_PWM1 |
General purpose |
29 |
GPIO16 |
PRI_SPI1_SS2 |
General purpose |
30 |
GPIO6 |
PCIE_LED_WWAN |
General purpose |
31 |
GPIO12 |
RPI_PWM0 |
General purpose |
32 |
GND |
GND |
Ground (0V) |
33 |
GND |
GND |
Ground (0V) |
34 |
GPIO5 |
BUZZER |
General purpose |
35 |
ID_SC |
RPI_ID_SC |
BCM2711 GPIO 1 |
36 |
ID_SD |
RPI_ID_SD |
BCM2711 GPIO 0 |
37 |
GPIO7 |
RPI_SPI0_SS1 |
General purpose |
38 |
GPIO11 |
RPI_SPI0_SCLK |
General purpose |
39 |
GPIO8 |
RPI_SPI0_SS0 |
General purpose |
40 |
GPIO9 |
RPI_SPI0_MISO |
General purpose |
41 |
GPIO25 |
PCIE_LED_WLAN |
General purpose |
42 |
GND |
GND |
Ground (0V) |
43 |
GND |
GND |
Ground (0V) |
44 |
GPIO10 |
RPI_SPI0_MOSI |
General purpose |
45 |
GPIO24 |
RPI_BTN1 |
General purpose |
46 |
GPIO22 |
RPI_GPIO22 |
General purpose |
47 |
GPIO23 |
RPI_BTN2 |
General purpose |
48 |
GPIO27 |
RPI_GPIO27 |
General purpose |
49 |
GPIO18 |
RPI_SPI1_SS0 |
General purpose |
50 |
GPIO17 |
RPI_SPI1_SS1 |
General purpose |
51 |
GPIO15 |
RPI_UART0_RX |
General purpose |
52 |
GND |
GND |
Ground (0V) |
53 |
GND |
GND |
Ground (0V) |
54 |
GPIO4 |
RPI_GPIO4 |
General purpose |
55 |
GPIO14 |
RPI_UART0_TX |
General purpose |
56 |
GPIO3 |
ADF_MUXOUT |
General purpose |
57 |
SD_CLK |
RPI_SD_CLK |
SD card clock signal |
58 |
GPIO2 |
RPI_GPIO2 |
General purpose |
59 |
GND |
GND |
Ground (0V) |
60 |
GND |
GND |
Ground (0V) |
61 |
SD_DAT3 |
RPI_SD_D3 |
SD card/eMMC Data3 signal |
62 |
SD_CMD |
RPI_SD_CMD |
SD card/eMMC Command signal |
63 |
SD_DAT0 |
RPI_SD_D0 |
SD card/eMMC Data0 signal |
64 |
SD_DAT5 |
NC |
SD card/eMMC Data5 signal |
65 |
GND |
GND |
Ground (0V) |
66 |
GND |
GND |
Ground (0V) |
67 |
SD_DAT1 |
RPI_SD_D1 |
SD card/eMMC Data1 signal |
68 |
SD_DAT4 |
NC |
SD card/eMMC Data4 signal |
69 |
SD_DAT2 |
RPI_SD_D2 |
SD card/eMMC Data2 signal |
70 |
SD_DAT7 |
NC |
SD card/eMMC Data7 signal |
71 |
GND |
GND |
Ground (0V) |
72 |
SD_DAT6 |
NC |
SD card/eMMC Data6 signal |
73 |
SD_VDD_Override |
NC |
Force SD card/eMMC interface |
74 |
GND |
GND |
Ground (0V) |
75 |
SD_PWR_ON |
RPI_SD_PWR_ON |
Output to power-switch for the SD card |
76 |
VBAT |
RPI_VBAT |
RTC Battery input |
77 |
+5V (Input) |
VCC5P0 |
4.75V-5.25V. Main power input |
78 |
GPIO_VREF |
VCC3P3 |
GPIO reference voltage |
79 |
+5V (Input) |
VCC5P0 |
4.75V-5.25V. Main power input |
80 |
SCL0 |
RPI_I2C0_SCL |
I2C clock pin |
81 |
+5V (Input) |
VCC5P0 |
4.75V-5.25V. Main power input |
82 |
SDA0 |
RPI_I2C0_SDA |
I2C Data pin |
83 |
+5V (Input) |
VCC5P0 |
4.75V-5.25V. Main power input |
84 |
CM4_3.3V (Output) |
VCC3P3_RPI |
3.3V ± 2.5%. Power Output |
85 |
+5V (Input) |
VCC5P0 |
4.75V-5.25V. Main power input |
86 |
CM4_3.3V (Output) |
VCC3P3_RPI |
3.3V ± 2.5%. Power Output |
87 |
+5V (Input) |
VCC5P0 |
4.75V-5.25V. Main power input |
88 |
CM4_1.8V (Output) |
VCC1P8_RPI |
1.8V ± 2.5%. Power Output |
89 |
WL_nDisable |
RPI_WL_nDISABLE |
Wireless interface disable |
90 |
CM4_1.8V (Output) |
VCC1P8_RPI |
1.8V ± 2.5%. Power Output |
91 |
BT_nDisable |
RPI_BT_nDISABLE |
Bluetooth interface disable |
92 |
PWR_Button |
RPI_RUN_PG |
CM5 CPU turn on/off |
93 |
nRPIBOOT |
RPI_nRPIBOOT |
booting from an RPI server |
94 |
CC1 |
RPI_AIP1 |
USB PSU PD signal |
95 |
LED_nPWR |
RPI_LED_nPWR |
Power On LED |
96 |
CC2 |
RPI_AIP0 |
USB PSU PD signal |
97 |
CAM_GPIO0 |
CAM1_GPIO0 |
Used to shut down the camera |
98 |
GND |
GND |
Ground (0V) |
99 |
PMIC_Enable |
RPI_GLOBAL_EN |
CM4 enable |
100 |
CAM_GPIO1 |
RPI_nEXTRST |
Output. Driven low during reset |
101 |
USB_OTG_ID |
RPI_USB_OTG_ID |
USB OTG Pin |
102 |
PCIe_CLK_nREQ |
RPI_PCIE_CLK_nREQ |
PCIe clock request |
103 |
USB_N |
RPI_USB_D_N |
USB D- |
104 |
PCIe_nWAKE |
NC |
PCIe WAKE# signal |
105 |
USB_P |
RPI_USB_D_P |
USB D+ |
106 |
PCIe_PWR_EN |
RPI_PCIE_DET_nWAKE |
PCIe device enable |
107 |
GND |
GND |
Ground (0V) |
108 |
GND |
GND |
Ground (0V) |
109 |
PCIe_nRST |
RPI_PCIE_nRST |
PCIe reset |
110 |
PCIe_CLK_P |
RPI_PCIE_CLK_P |
PCIe clock Out positive |
111 |
VBUS_EN |
RPI_PIN11 |
USB3 power enable |
112 |
PCIe_CLK_N |
RPI_PCIE_CLK_N |
PCIe clock Out negative |
113 |
GND |
GND |
Ground (0V) |
114 |
GND |
GND |
Ground (0V) |
115 |
MIPI0_D0_N |
CAM1_D0_N |
Camera / display D0 negative |
116 |
PCIe_RX_P |
RPI_PCIE_RX_P |
Input PCIe GEN 2 RX positive |
117 |
MIPI0_D0_P |
CAM1_D0_P |
Camera / display D0 positive |
118 |
PCIe_RX_N |
RPI_PCIE_RX_N |
Input PCIe GEN 2 RX negative |
119 |
GND |
GND |
Ground (0V) |
120 |
GND |
GND |
Ground (0V) |
121 |
MIPI0_D1_N |
CAM1_D1_N |
Camera / display D1 negative |
122 |
PCIe_TX_P |
RPI_PCIE_TX_P |
Output PCIe GEN 2 TX positive |
123 |
MIPI0_D1_P |
CAM1_D1_P |
Camera / display D1 positive |
124 |
PCIe_TX_N |
RPI_PCIE_TX_N |
Output PCIe GEN 2 TX positive |
125 |
GND |
GND |
Ground (0V) |
126 |
GND |
GND |
Ground (0V) |
127 |
MIPI0_C_N |
CAM1_CLK_N |
Camera / display clock negative |
128 |
USB3-0-RX_N |
RPI_USB3_RX0_N |
USB3 Port 0 RX Input negative |
129 |
MIPI0_C_P |
CAM1_CLK_P |
Camera / display clock positive |
130 |
USB3-0-RX_P |
RPI_USB3_RX0_P |
USB3 Port 0 RX Input positive |
131 |
GND |
GND |
Ground (0V) |
132 |
GND |
GND |
Ground (0V) |
133 |
MIPI0_D2_N |
NC |
Camera / display D2 negative |
134 |
USB3-0-DP |
RPI_USB3_D0_P |
USB3 port 0 DP |
135 |
MIPI0_D2_P |
NC |
Camera / display D2 positive |
136 |
USB3-0-DM |
RPI_USB3_D0_N |
USB3 Port 0 DM |
137 |
GND |
GND |
Ground (0V) |
138 |
GND |
GND |
Ground (0V) |
139 |
MIPI0_D3_N |
NC |
Camera / display D3 negative |
140 |
USB3-0-TX_N |
RPI_USB3_TX0_N |
USB3 Port 0 TX output negative |
141 |
MIPI0_D3_P |
NC |
Camera / display D3 positive |
142 |
USB3-0-TX_P |
RPI_USB3_TX0_P |
USB3 Port 0 TX output positive |
143 |
HDMI1_HOTPLUG |
HDMI1_HOTPLUG |
Input HDMI1 hotplug |
144 |
GND |
GND |
Ground (0V) |
145 |
HDMI1_SDA |
HDMI1_SDA |
A Bidirectional HDMI1 SDA |
146 |
HDMI1_TX2_P |
HDMI1_D2_P |
Output HDMI1 TX2 positive |
147 |
HDMI1_SCL |
HDMI1_SCL |
Bidirectional HDMI1 SCL |
148 |
HDMI1_TX2_N |
HDMI1_D2_N |
Output HDMI1 TX2 negative |
149 |
HDMI1_CEC |
HDMI1_CEC |
Input HDMI1 CEC |
150 |
GND |
GND |
Ground (0V) |
151 |
HDMI0_CEC |
HDMI0_CEC |
Input HDMI0 CEC |
152 |
HDMI1_TX1_P |
HDMI1_D1_P |
Output HDMI1 TX1 positive |
153 |
HDMI0_HOTPLUG |
HDMI0_HPD |
Input HDMI0 hotplug |
154 |
HDMI1_TX1_N |
HDMI1_D1_N |
Output HDMI1 TX1 negative |
155 |
GND |
GND |
Ground (0V) |
156 |
GND |
GND |
Ground (0V) |
157 |
USB3-1-RX_N |
RPI_USB3_RX1_N |
USB3 Port 1 RX Input negative |
158 |
HDMI1_TX0_P |
HDMI1_D0_P |
Output HDMI1 TX0 positive |
159 |
USB3-1-RX_P |
RPI_USB3_RX1_P |
USB3 Port 1 RX Input positive |
160 |
HDMI1_TX0_N |
HDMI1_D0_N |
Output HDMI1 TX0 negative |
161 |
GND |
GND |
Ground (0V) |
162 |
GND |
GND |
Ground (0V) |
163 |
USB3-1-DP |
RPI_USB3_D1_P |
USB3 port 1 DP |
164 |
HDMI1_CLK_P |
HDMI1_CLK_P |
Output HDMI1 clock positive |
165 |
USB3-1-DM |
RPI_USB3_D1_N |
USB3 Port 1 DM |
166 |
HDMI1_CLK_N |
HDMI1_CLK_N |
Output HDMI1 clock negative |
167 |
GND |
GND |
Ground (0V) |
168 |
GND |
GND |
Ground (0V) |
169 |
USB3-1-TX_N |
RPI_USB3_TX1_N |
USB3 Port 1 TX output negative |
170 |
HDMI0_TX2_P |
HDMI0_D2_P |
Output HDMI0 TX2 positive |
171 |
USB3-1-TX_P |
RPI_USB3_TX1_P |
USB3 Port 1 TX output positive |
172 |
HDMI0_TX2_N |
HDMI0_D2_N |
Output HDMI0 TX2 negative |
173 |
GND |
GND |
Ground (0V) |
174 |
GND |
GND |
Ground (0V) |
175 |
MIPI1_D0_N |
DSI1_D0_N |
Camera / display D0 negative |
176 |
HDMI0_TX1_P |
HDMI0_D1_P |
Output HDMI0 TX1 positive |
177 |
MIPI1_D0_P |
DSI1_D0_P |
Camera / display D0 positive |
178 |
HDMI0_TX1_N |
HDMI0_D1_N |
Output HDMI0 TX1 negative |
179 |
GND |
GND |
Ground (0V) |
180 |
GND |
GND |
Ground (0V) |
181 |
MIPI1_D1_N |
DSI1_D1_N |
Camera / display D1 negative |
182 |
HDMI0_TX0_P |
HDMI0_D0_P |
Output HDMI0 TX0 positive |
183 |
MIPI1_D1_P |
DSI1_D1_P |
Camera / display D1 positive |
184 |
HDMI0_TX0_N |
HDMI0_D0_N |
Output HDMI0 TX0 negative |
185 |
GND |
GND |
Ground (0V) |
186 |
GND |
GND |
Ground (0V) |
187 |
MIPI1_C_N |
DSI1_CLK_N |
Camera / display clock negative |
188 |
HDMI0_CLK_P |
HDMI0_CLK_P |
Output HDMI0 clock positive |
189 |
MIPI1_C_P |
DSI1_CLK_P |
Camera / display clock positive |
190 |
HDMI0_CLK_N |
HDMI0_CLK_N |
Output HDMI0 clock negative |
191 |
GND |
GND |
Ground (0V) |
192 |
GND |
GND |
Ground (0V) |
193 |
MIPI1_D2_N |
NC |
Camera / display D2 negative |
194 |
MIPI1_D3_N |
NC |
Camera / display D3 negative |
195 |
MIPI1_D2_P |
NC |
Camera / display D2 positive |
196 |
MIPI1_D3_P |
NC |
Camera / display D3 positive |
197 |
GND |
GND |
Ground (0V) |
198 |
GND |
GND |
Ground (0V) |
199 |
HDMI0_SDA |
HDMI0_SDA |
Bidirectional HDMI0 SDA |
200 |
HDMI0_SCL |
HDMI0_SCL |
Bidirectional HDMI0 SCL |
LimePSB RPCM board has several headers and a DIP switch dedicated for Raspberry Pi CM4/5 configuration, debug, analog inputs or other purposes. SYS Header (J12) pins, schematic signal names and description are given in Table 3.
Pin |
Schematic signal name |
Description [1], [2] |
|---|---|---|
1 |
GND |
Ground (0V) |
2 |
RPI_nRPIBOOT |
A low on this pin forces CM4/5 booting. To enable Raspberry Pi USB boot also place nRPIBOOT jumper on J12 pins 1-2. Place jumper on header J26 to switch Raspberry Pi USB from USB hub to USB C connector. |
3 |
GND |
Ground (0V) |
4 |
RPI_EEPROM_nWP |
CM4/5 on-board EEPROM write protect |
5 |
RPI_AIP0 |
Analogue input (CM4) / USB CC1 (CM5) |
6 |
RPI_AIP1 |
Analogue input (CM4) / USB CC2 (CM5) |
7 |
GND |
Ground (0V) |
8 |
RPI_SYNC_IN |
IEEE1588 SYNC Input |
9 |
RPI_SYNC_OUT |
IEEE1588 SYNC Output |
10 |
RPI_RUN_PG |
RUN_PG pin when high signals that the CM4/5 has started. Driving this pin low resets the module. |
11 |
RPI_PIN11 |
Video DAC output (CM4) / USB3 VBUS enable (CM5) |
12 |
GND |
Ground (0V) |
13 |
RPI_RUN_PG_BUFF |
Buffered (5V output) RPI_RUN_PG line. High signal indicates CM4 CPU is running. / Power button for CM5. |
14 |
RPI_GLOBAL_EN |
Drive low to power off CM4/5. A button between pins 13-14 can be used to wake up compute module from power down. |
Description of power control header J5 (not fitted) for Raspberry Pi CM4/5 pinout is given in Table 4.
Pin |
Schematic signal name |
Description [1], [2] |
|---|---|---|
1 |
RPI_GLOBAL_EN |
Drive low to power off CM4/5. |
2 |
GND |
Ground (0V) |
3 |
RPI_RUN_PG |
Drive low to reset CM4/5 CPU/high signal indicates CM4/5 CPU is running. |
Raspberry Pi Compute Module 4/5 on board WiFi and Bluetooth disable signals may be controlled from header J6 (not fitted) as shown in Table 5.
Pin |
Schematic signal name |
Description [1], [2] |
1 |
RPI_WL_nDISABLE |
This pin serves a number of functions: It can be used to monitor the enable/disable state of wireless networking. A logic high means the WIFI module is powered up. When driven or tied low it prevents the wireless network module from powering up. This is useful to reduce power consumption or in applications where it is required to physically ensure the wireless networking is disabled. If the interface is enabled after being disabled, the wireless interface driver needs reinitialised. |
2 |
GND |
Ground (0V) |
3 |
RPI_BT_nDISABLE |
This pin serves a number of functions: It can be used to monitor the enable/disable state of Bluetooth. A logic high means the Bluetooth module is powered up. When driven, or tied low, it prevents the Bluetooth module from powering up. This is useful to reduce power consumption, or in applications where it is required to physically ensure the Bluetooth is disabled. If the interface is enabled after being disabled, the Bluetooth interface driver needs reinitialised. |
DIP Switch configuration
Some configuration can be done by switching SW1 DIP switch bits. Detailed switch bit descriptions is given in Table 6.
Bit |
Schematic signal name |
Description |
|---|---|---|
1 |
RPI_nRPIBOOT |
RPi boot source: OFF: RPI boots from eMMC/uSD (default). ON: Booting from eMMC will be stopped and booting will be transferred to RPi boot which is via USB. |
2 |
USB_C_RPI1 |
RPi USB 2.0 port mux control: OFF: RPi USB is connected to USB hub (default). ON: RPi USB is connected to USB C connector. |
3 |
USB_PD_I |
USB C PD current configuration: OFF: I=2.5A (default). ON: I=1.5A. |
4 |
EN_CM5_USB3 |
Dual USB socket source: OFF: connected to USB 2.0 hub (for CM4). ON: connected to CM5 USB3.0 lines (for CM5). |
FPGA configuration
LimePSB RPCM board houses Lattice Semiconductor ICE40 Ultra family FPGA ICE5LP4K. It can be copnfigured by RPI CM4/5 (RPI_SPI0) or by external source (JTAG). By default FPGA is set to SPI slave mode and PRi module is in master mode to configure it during boot up. Also FPGA can be set to SPI master mode (FPGA_CFG) while CM4/5 (RPI_SPI0) is disconnected. In this case FPGA configuration information is stored in flash IC19 (NF). Hardware configuration for both modes are shown table 7.
Component id |
Slave SPI |
Master SPI |
R103 |
populate |
populate |
R104 |
remove |
populate |
R105 |
populate |
remove |
R106 |
remove |
populate |
R107 |
populate |
remove |
R108 |
populate |
populate |
R109 |
populate |
remove |
R111 |
remove |
populate |
Mini PCIe x1 Socket
LimePSB RPCM board features mini PCIe x1 specification compatible socket. LimePSB RPCM board mPCIe socket is also compatible with some non-standard expansion boards like LimeSDR-XTRX, LoRaWAN and LoRa Core. More detailed information is listed in Table 8.
Pin |
Mini PCIe x1 specification reference [3] |
LimePSB-RPCM schematic signal name |
XTRX Reference [4] |
LoRaWAN reference [5] |
SX1302/03 Corecell schematic signal name [6] |
1 |
Wake# |
RPI_PCIE_DET_nWAKE (NC) |
NC |
NC |
NC |
2 |
3.3 Vaux |
VCC3P3 |
VCC3P3_MPCIE |
VCC |
VCC5V_IN |
3 |
COEX1 |
PCIE_COEX1 |
1PPSI_GPIO1(1N) |
NC |
NC |
4 |
GND |
GND |
GND |
GND |
GND |
5 |
COEX2 |
PCIE_COEX2 |
1PPSO_GPIO2(1P) |
PPS_IN |
NC |
6 |
GND |
VCC1P5 |
NC |
NC |
GPIO(6) (NC) |
7 |
CLKREQ# |
RPI_PCIE_CLK_nREQ |
CLK_REQUEST# |
NC |
NC |
8 |
UIM PWR |
UIM_PWR |
UIM_VCC |
NC |
NC |
9 |
GND |
GND |
GND |
GND |
GND |
10 |
UIM_DATA |
UIM_DATA |
UIM_DIO |
SWDIO |
NC |
11 |
REFCLK- |
RPI_PCIE_CLK_N |
PCIE_REF_CLK_N |
NC |
NC |
12 |
UIM_CLK |
UIM_CLK |
UIM_CLK |
SWCLK |
NC |
13 |
REFCLK+ |
RPI_PCIE_CLK_P |
PCIE_REF_CLK_P |
NC |
NC |
14 |
UIM_RESET |
UIM_RESET |
UIM_RST |
NC |
NC |
15 |
GND |
GND |
GND |
GND |
GND |
16 |
UIM_VPP |
UIM_VPP |
NC |
BOOT0 |
POWER_EN(NC) |
17 |
Reserved |
PCIE_UIM8 |
TDD_GPIO3_N |
NC |
HOST_SCK (NC) |
18 |
GND |
GND |
GND |
GND |
GND |
19 |
Reserved |
PCIE_UIMC4 (NC) |
PCIE_CLK_IN |
NC |
HOST_MISO(NC) |
20 |
W_DISABLE# |
NC |
TDD_GPIO3_P |
nDISABLE |
NC |
21 |
GND |
GND |
GND |
GND |
GND |
22 |
PERST# |
RPI_PCIE_nRST |
PCIE_PERST# |
nRESET |
SX1302_RESET_HOST (NC) |
23 |
PERn0 |
RPI_PCIE_RX_N |
PCIE_TX0_N |
NC |
HOST_MOSI(NC) |
24 |
3.3Vaux |
VCC3P3 |
NC |
VCC |
SX1261_BUSY (NC) |
25 |
PERp0 |
RPI_PCIE_RX_P |
PCIE_TX0_P |
NC |
HOST_CSN (NC) |
26 |
GND |
GND |
GND |
GND |
GND |
27 |
GND |
GND |
GND |
GND |
GND |
28 |
1.5Volt |
VCC1P5 |
NC |
NC |
SX1302_GPIO_8 (NC) |
29 |
GND |
GND |
GND |
GND |
GND |
30 |
SMB CLK |
PCIE_SMB_CLK |
LMK_CLKOUT4/GPIO8 |
NC |
I2C_SCL (NC) |
31 |
PETn0 |
PCIE_PET0_N |
PCIE_RX0_N |
NC |
PPS |
32 |
SMB Data |
PCIE_SMB_DATA |
LMK_CLKOUT4/GPIO8 |
NC |
I2C_SDA (NC) |
33 |
PETp0 |
PCIE_PET0_P |
PCIE_RX0_P |
NC |
NC |
34 |
GND |
GND |
GND |
GND |
GND |
35 |
GND |
GND |
GND |
GND |
GND |
36 |
USB_D- |
PCIE_USB_N |
USB_D_N |
USB_D- / Tx |
USB_DM |
37 |
GND |
GND |
GND |
GND |
GND |
38 |
USB_D+ |
PCIE_USB_P |
USB_D_P |
USB_D+ / Rx |
USB_DP |
39 |
3.3Vaux |
VCC3P3 |
PCIE_TX1_N (NC) |
VCC |
VCC3V3_IN |
40 |
GND |
GND |
GND |
GND |
GND |
41 |
3.3Vaux |
VCC3P3 |
PCIE_TX1_P (NC) |
VCC |
VCC3V3_IN |
42 |
LED_WWAN# |
PCIE_LED_WWAN |
LED_WWAN#_GPIO5 |
nTX |
NC |
43 |
GND |
GND |
GND |
GND |
GND |
44 |
LED_WLAN# |
PCIE_LED_WLAN |
LED_WLAN#_GPIO6 |
nRX |
SX1261_NSS (NC) |
45 |
Reserved |
NC |
GND |
NC |
JTCK-SWCLK (NC) |
46 |
LED_WPAN# |
PCIE_LED_WPAN |
LED_WPAN#_GPIO7 |
NC |
SX1261_DIO1 (NC) |
47 |
Reserved |
NC |
PCIE_RX1_N (NC) |
NC |
JTMS-SWDIO (NC) |
48 |
1.5Volt |
VCC1P5 |
NC |
NC |
SX1261_NRESET(NC) |
49 |
Reserved |
NC |
PCIE_RX1_P (NC) |
NC |
MCU_NRESET (NC) |
50 |
GND |
GND |
GND |
GND |
GND |
51 |
Reserved |
NC |
PCIE_W_DISABLE2# (NC) |
NC |
MCU_BOOT0 (NC) |
52 |
3.3Vaux |
VCC3P3 |
VCC3P3_MPCIE |
VCC |
VCC3V3_IN |
RF Front End
LimePSB RPCM RF path features power amplifiers, low noise amplifiers and SPDT switches as shown in Figure 6.
Figure 6 LimePSB RPCM v1.3 RFFE diagram
A single control signal (RF_SW_TDD) is used to control all RF switches simultaneously for both A and B channels to change between TDD and FDD modes as shown in Table 9.
Control signal (RF_SW_TDD) |
TRXA/B connected to |
RXA/B connected to |
|---|---|---|
Low |
TXA/B_IN |
RXA/B_OUT |
High |
RXA/B_OUT |
NC |
By default RF switches may be controlled from FPGA pin 13 (via resistor R39). Optional control source may be RFFE TDD control header (J19).
RF path contains two types of connectors: board edge SMA connectors (J47, J48, J51, J52) used for external connections (antennas or cables) and U.FL connectors (J45, J46, J49, J50) used for internal connections (for example to connect to XTRX mini PCIe expansion board).
Signal frequency range of TX and RX paths are listed in Table 10.
Direction |
Frequency range |
|---|---|
TX |
100 MHz - 6 GHz |
RX |
100 MHz - 4 GHz |
More detailed RF path component parameters are given in Table 11.
Componen |
Function |
Gain, dB |
Output P1dB, dBm |
NF, dB |
TQP3M9018 |
TX amplifier |
24.6dB (900 MHz) |
22.3dBm (900 MHz) |
0.9dB (900 MHz) |
22dB (1900 MHz) |
22dBm (1950 MHz) |
1.3dB (1950 MHz) |
||
18.3dB (4000 MHz) |
14.7dBm (4000 MHz) |
2.4dB (4000 MHz) |
||
SPF5043Z |
RX amplifier |
18.2dB (900 MHz) |
22.6dBm (900 MHz) |
0.8dB (900 MHz) |
12.9dB (1960 MHz) |
22.7dBm (1900 MHz) |
0.8dB (1900 MHz) |
||
7.0dB (3800 MHz) |
22.8dBm (3800 MHz) |
1.5dB (3800 MHz) |
||
SKY13286 |
RF switch |
-0.7dB (1000 MHz) |
30.dBm (2000 MHz) |
|
LimePSB RPCM RF front end uses same design as Front End Adapter, except PA part was changed. For more information about the design look into XTRX documentation [4].
USB Subsystem
LimePSB RPCM contains USB2.0 hub, over current protection, type-C, double type-A sockets and headers. USB sockets and header has independent current limit power switches. The USB subsystem diagram is as shown in Figure 7.
Figure 7 LimePSB RPCM v1.3 USB subsystem diagram
Main LimePSB RPCM board USB subsystem components:
USB type-C socket (J26) is primarily used as LimePSB-RPCM one of power supply sources (for more information check section 2.15 Power Distribution). To enable RPi USB boot mount nRPIBOOT jumper on J12 pins 1-2 and mount a jumper on header J27 to switch Raspberry Pi USB from USB hub to USB C (more information check section 2.2 Raspberry Pi CM4/5 Configuration).
USB type-A dual sockets (J30) may be used to connect USB peripherals to the Raspberry Pi CM4/5. Top socket is USB 3.0 if CM5 is used.
USB type-A dual socket (J30) and header (J28) have over current protection. Current limit is set to 600 mA. Both sockets share same protection circuitry so if one of them tries to draw more current both sockets will be disabled. Header has it is own separate over current protection.
USB2.0 hub USB2517 (IC19) USB 2.0 hub expands Raspberry Pi CM4/5 USB port to dual USB socket (J30), header (J28) and mPCIe (J3). For more information check Table 12.
Pin |
Pin name |
Function [7] |
Schematic signal name |
Connector ID |
|---|---|---|---|---|
59/58 |
USBUP_DP/ USBUP_DM |
Root port |
USB_HUB_D0_P/ USB_HUB_D0_N |
Connected to CM4/5 USB via USB switch |
2/1 |
USBDN1_DP/ USBDN1_DM |
Downstream port |
USB_HUB_D1_P/ USB_HUB_D1_N |
J3 (mPCIe) |
4/3 |
USBDN2_DP/ USBDN2_DM |
Downstream port |
USB_HUB_D2_P/ USB_HUB_D2_N |
J30 (bottom) |
7/6 |
USBDN3_DP/ USBDN3_DM |
Downstream port |
USB_HUB_D3_P/ USB_HUB_D3_N |
J28 (pins 3/5) |
9/8 |
USBDN4_DP/ USBDN4_DM |
Downstream port |
USB_HUB_D4_P/ USB_HUB_D4_N |
J30 (top) |
12/11 |
USBDN5_DP/ USBDN5_DM |
Downstream port |
USB_HUB_D5_P/ USB_HUB_D5_N |
J28 (pins 8/4) |
54/53 |
USBDN6_DP/ USBDN6_DM |
Downstream port |
USB_HUB_D6_P/ USB_HUB_D5_N |
IC40 (GNSS) |
56/55 |
USBDN7_DP/ USBDN7_DM |
Downstream port |
NC |
NC |
User Interface Components
LimePSB RPCM board features button, buzzer, 5 dual colour (red and green (RG)) LEDs, 1 green indication LED and 2 Ethernet activity LEDs (yellow and green). All board user interface components are highlighted in Figure 8.
Figure 8. LimePSB RPCM v1.3 user interface components
Dual color LEDs (LED1-LED4) are connected to I/O expander (IC13). Their function may be programmed according to the user requirements. Dual color LED5 indicates Raspberry Pi status. Green LED6 indicates board power. These LEDs are mounted on the front side of the board.
Ethernet connector J9 has two LEDs: yellow and green. LEDs indicate wired network activity and speed.
Default function of LEDs and related information is listed in Table 13.
Board Reference |
Schematic name |
I/O expander (IC13) pin |
Description |
LED1 |
RPI_LED1_R |
GPA0 |
User defined. |
RPI_LED1_G |
GPA1 |
||
LED2 |
RPI_LED2_R |
GPA2 |
User defined. |
RPI_LED2_G |
GPA3 |
||
LED3 |
RPI_LED3_R |
GPA4 |
User defined. |
RPI_LED3_G |
GPA5 |
||
LED4 |
RPI_LED4_R |
GPA6 |
User defined. |
RPI_LED4_G |
GPA7 |
||
LED5 |
RPI_STATUS_LED_R |
Green is connected to CM4/5 PI_LED_nPWR (Power On) and red is connected to Pi_nLED_Activity (Activity) |
|
RPI_STATUS_LED_G |
|||
LED6 |
VCC3P3 |
Board power. Connected to 3.3 V power rail. |
|
Ethernet connector J9 |
ETH_LED_Y |
Green is connected to Ethernet_nLED2 (Ethernet speed indicator: 1Gbit or 100Mbit Link) and yellow is connected to Ethernet_nLED3 (Ethernet activity indicator). |
|
LEDs |
ETH_LED_G |
A user button (BTN1) and buzzer (BZ1) are mounted on the front side of the board and can be used for various purposes. The button is connected to Raspberry Pi CM4/5 GPIO24, has external pull up resistors and is hardware debounced. Buzzer control circuit is connected to GPIO5.
SPI, I2C, UART Interfaces
LimePSB-RPCM features multiple low speed interfaces like SPI, I2C, UART. LimePSB-RPCM low speed interfaces signal names, I/O standards are listed in table 14.
Interface |
Schematic signal name |
CM4/5 pin |
I/O standard |
Comment |
|---|---|---|---|---|
SPI0 |
RPI_SPI0_SCLK |
38 (GPIO11) |
3.3V |
Serial Clock (CM4/5 output) |
RPI_SPI0_MOSI |
44 (GPIO10) |
3.3V |
Data (CM4/5 output) |
|
RPI_SPI0_MISO |
40 (GPIO9) |
3.3V |
Data (CM4/5 input) |
|
RPI_SPI0_SS0 |
39 (GPIO8) |
3.3V |
IC17 FPGA config SPI slave select (CM4/5 output) |
|
RPI_SPI0_SS1 |
37 (GPIO7) |
3.3V |
IC34 phase detector SPI slave select (CM4/5 output) |
|
SPI1 |
RPI_SPI1_SCLK |
25 (GPIO21) |
3.3V |
Serial Clock (CM4/5 output) |
RPI_SPI1_MOSI |
27 (GPIO20) |
3.3V |
Data (CM4/5 output) |
|
RPI_SPI1_MISO |
26 (GPIO19) |
3.3V |
Data (CM4/5 input) |
|
RPI_SPI1_SS0 |
49 (GPIO18) |
3.3V |
IC6 ADC SPI slave select (CM4/5 output) |
|
RPI_SPI1_SS1 |
50 (GPIO17) |
3.3V |
IC17 FPGA SPI slave select (CM4/5 output) |
|
RPI_SPI1_SS2 |
29 (GPIO16) |
3.3V |
IC17 FPGA SPI slave select (CM4/5 output) |
|
I2C0 |
RPI_I2C0_SCL |
80 |
3.3V |
Serial Clock (CM4/5 output) |
RPI_I2C0_SDA |
82 |
3.3V |
Data (CM4/5 input/output) |
|
UART0 |
RPI_UART0_RX |
51 (GPIO15) |
3.3V |
Data (CM4/5 input) |
RPI_UART0_TX |
55 (GPIO14) |
3.3V |
Data (CM4/5 output) |
FPGA low speed interfaces signal names, I/O standards are listed in table 15.
Interface |
Schematic signal name |
FPGA pin |
I/O standard |
Comment |
|---|---|---|---|---|
CFG |
FPGA_CFG_SCK |
15 (IOB_34A) |
3.3V |
Serial Clock (FPGA output) |
FPGA_CFG_SO |
14 (IOB_32A) |
3.3V |
Data (FPGA input) |
|
FPGA_CFG_SI |
17 (IOB_33B) |
3.3V |
Data (FPGA output) |
|
FPGA_CFG_CSN |
16 (IOB_35B) |
3.3V |
IC18 flash (FPGA output) CM4/5 output? |
|
SPI0 |
FPGA_SPI0_SCLK |
43 (IOT_49A) |
3.3V |
Serial Clock (FPGA output) |
FPGA_SPI0_MOSI |
38 (IOT_50B) |
3.3V |
Data (FPGA output) |
|
FPGA_SPI0_DAC_SS |
42 (IOT_51A) |
3.3V |
IC33 / IC35 DAC SPI slave select (FPGA output) |
|
I2C0 |
FPGA_I2C0_SCL |
47 (IOB_2A) |
3.3V |
Serial Clock (FPGA output) |
FPGA_I2C0_SDA |
48 (IOB_4A) |
3.3V |
Data (FPGA input/output) |
|
UART |
GNSS_UART_RX |
51 (GPIO15) |
3.3V |
Data (FPGA input) |
GNSS_UART_TX |
55 (GPIO14) |
3.3V |
Data (FPGA output) |
RPI_I2C0 (FPGA_I2C0) interface devices, addresses and other info are shown in table 16.
RPI_I2C0 slave device |
Slave device |
I2C address |
I/O standard |
Comment |
|---|---|---|---|---|
IC9 |
Temperature sensor |
1 0 0 1 0 0 0 R/W |
3.3V |
LM75 |
IC10(default)/IC11 |
EEPROM |
1 0 1 0 0 0 0 R/W |
3.3V |
CAT24C128WI-GT3/M24128 |
IC13/IC14 |
Secure key storage |
1 1 0 0 0 0 0 R/W |
3.3V |
ATECC508A |
IC16/IC18 |
RTC |
1 0 1 0 0 0 1 R/W |
3.3V |
PCF85063AT |
IC12 |
FAN controller |
0 1 0 1 1 1 1 R/W |
3.3V |
EMC2301 |
IC51 |
USB PD controller |
0 0 0 1 0 0 0 R/W |
3.3V |
CYPD3177-24LQXQT |
IC13 |
I/O expander |
0 1 0 0 0 0 0 R/W |
3.3V |
MCP23017-E/ML |
IC20 |
USB2.0 hub |
0 1 0 1 1 0 0 R/W |
3.3V |
USB2517 (disabled) |
Front Display Connector
LimePSB RPCM board has 5-pin 0.1” pitch header J8 with friction lock (Molex 0022112052 [8]). It is dedicated for front display connection. Front display connector J8 contains signals for I2C interface, button and power rail. More detailed information about the front display connector is provided in Table 17.
J8 pin |
Schematic signal name |
Description |
|---|---|---|
1 |
GND |
Ground (0V) |
2 |
VCC3P3/VCC5P0 |
Power 3.3V (default) or 5V |
3 |
RPI_ID_SD |
I2C data |
4 |
RPI_ID_SC |
I2C clock |
5 |
RPI_BTN2 |
User button 2 (debounced) |
MIPI DSI Display and CSI Camera Connectors
LimePSB-RPCM has two 15-pin FPC connectors for MIPI DSI display and MIPI CSI camera. MIPI DSI interface is used for connecting serial display. Detailed display 1 connector J15 pinout is as shown in table 18.
Pin |
Schematic signal name |
Description [1], [2] |
|---|---|---|
1 |
GND |
Ground (0V) |
2 |
DSI1_D1_N |
Output Display1 D1 negative |
3 |
DSI1_D1_P |
Output Display1 D1 positive |
4 |
GND |
Ground (0V) |
5 |
DSI1_CLK_N |
Output Display1 clock negative |
6 |
DSI1_CLK_P |
Output Display1 clock positive |
7 |
GND |
Ground (0V) |
8 |
DSI1_D0_N |
Output Display1 D2 negative |
9 |
DSI1_D0_P |
Output Display1 D2 positive |
10 |
GND |
Ground (0V) |
11 |
RPI_I2C0_SCL |
I2C clock |
12 |
RPI_I2C0_SDA |
I2C data |
13 |
GND |
Ground (0V) |
14 |
VCC3P3 |
3.3V power rail |
15 |
VCC3P3 |
3.3V power rail |
MIPI CSI interface is used for serial camera. Detail camera 1 connector J16 pinout is as shown in table 19.
Pin |
Schematic signal name |
Description [1], [2] |
|---|---|---|
1 |
GND |
Ground (0V) |
2 |
CAM1_D0_N |
Input Camera1 D0 negative |
3 |
CAM1_D0_P |
Input Camera1 D0 positive |
4 |
GND |
Ground (0V) |
5 |
CAM1_D1_N |
Input Camera1 D1 negative |
6 |
CAM1_D1_P |
Input Camera1 D1 positive |
7 |
GND |
Ground (0V) |
8 |
CAM1_CLK_N |
Input Camera1 clock negative |
9 |
CAM1_CLK_P |
Input Camera1 clock positive |
10 |
GND |
Ground (0V) |
11 |
CAM1_GPIO0 |
Typically used to shut down the camera |
12 |
CAM1_GPIO1 |
NC |
13 |
RPI_I2C0_SCL |
I2C clock |
14 |
RPI_I2C0_SDA |
I2C data |
15 |
VCC3P3 |
3.3V power rail |
HMDI, Ethernet Connectors and uSD Socket
LimePSB-RPCM board features 2 vertically mounted full-size HDMI 2.0 connectors (J31 and J32). Data signals are directly connected between Raspberry Pi CM4/5 TMDS interfaces and HDMI connectors. 5V power for HDMI connectors is supplied via a current-limited switch (IC27).
LimePSB-RPCM board also features Gigabit Ethernet and power over Ethernet (PoE) capable RJ45 connector (J9).
For Raspberry Pi CM4/5L module (Raspberry Pi CM4/5 without eMMC Flash memory) microSD card push-push socket (J7) must be used along with the appropriate uSD card.
GPIO Connector
Some Raspberry Pi Compute Module 4/5 GPIOs are connected to 20 pin 0.1” J10 header. Several pins of this connector are dedicated for power (1 pin for 3.3 V and 2 pins for 5V). GPIO header pins (J10) and additional information is given in table 20.
Connector pin |
Schematic signal name |
CM4/5 pin |
I/O standard |
Comment |
|---|---|---|---|---|
1 |
VCC3P3 |
3.3V |
3.3V power rail |
|
2 |
VCC5P0 |
5.0V |
5.0V power rail |
|
3 |
RPI_GPIO22 |
GPIO22 |
3.3V |
General purpose |
4 |
VCC5P0 |
5.0V |
5.0V power rail |
|
5 |
RPI_GPIO27 |
GPIO27 |
3.3V |
General purpose |
6 |
GND |
Ground (0V) |
||
7 |
GND |
Ground (0V) |
||
8 |
RPI_UART0_TX |
GPIO14 |
3.3V |
General purpose configured as UART output |
9 |
RPI_SPI0_MOSI |
GPIO10 |
3.3V |
General purpose configured as SPI output |
10 |
RPI_UART0_RX |
GPIO15 |
3.3V |
General purpose configured as UART input |
11 |
RPI_SPI0_MISO |
GPIO9 |
3.3V |
General purpose configured as SPI input |
12 |
FPGA_GPIO0 |
FPGA 45 pin (IOB_5B) |
||
13 |
RPI_SPI0_SCLK |
GPIO11 |
3.3V |
General purpose configured as SPI clock |
14 |
FPGA_GPIO1 |
FPGA 21 pin (IOB_23B) |
||
15 |
RPI_GPIO2 |
GPIO2 |
3.3V |
General purpose |
16 |
RPI_GPIO4 |
GPIO4 |
3.3V |
General purpose |
17 |
RPI_ID_SD |
ID_SD |
3.3V |
I2C interface SDfor HATs (ID EEPROM) |
18 |
RPI_ID_SC |
ID_SC |
3.3V |
I2C interface SC for HATs (ID EEPROM) |
19 |
GND |
Ground (0V) |
||
20 |
GND |
Ground (0V) |
Board Temperature Control
LimePSB-RPCM board has two dedicated 0.1” pitch headers J23 and J24 for fans. Header J23 is standard 4-pin fan header while J24 is 2-pin header. Fan control voltage is VCC_IN (12V) by default, but it may be changed to 3.3V or 5V by resistors. Fan power may be controlled from I/O expander (IC13) output GPB7 (FAN_CTRL), directly from temperature sensor IC7 pin 3 (LM75_OS) or by FAN controller (IC10) (default).
4 pin FAN connector (J23) is compatible with 3 pin fans. PWM signal from FAN controller (IC10) can be used to control fan speed by switching MOSFET (VT2) if R90 is fitted (default). If 4 pin fan is used remove R90 and fit R75 to route PWM signal to the connectors 4th pin also fit R84.
Clock Distribution Network
- LimePSB-RPCM board clock network comprises of on-board voltage controlled crystal oscillators, phase detector, clock buffers, GNSS receiver, reference clock input and output connectors and clock source selection pin headers.
Board clock distribution block diagram is as shown in figure
Figure 9. LimePSB RPCM v1.3 board clock distribution block diagram
LimePSB-RPCM board distributes reference clock to and from Raspberry Pi Compute Module 4/5, mini PCIe connector and external sources. Clock and PPS signals can be sourced from onboard XOs and GNSS transceiver or another boards via J34 (EXT_SYNC_IN) connector. Also J37 (EXT_SYNC_OUT) connector can be used as clock signal output thus synchronizing multiple systems. Clock path may be configured using jumpers and resistors as described in table 21.
Schematic ID |
Input signal |
Output signal |
Description |
|---|---|---|---|
J38 |
EXT_SYNC_IN |
REF_CLK_IN |
Phase detector (IC34) input selection |
LMK10_CLK_OUT |
|||
J39 |
SYNC_OUT |
PCIE_PPS_IN |
PPS signal source selection for mPCIe expansion boards |
EXT_SYNC_IN |
|||
J40 |
EXT_SYNC_IN |
RPI_SYNC_IN |
CM4/5 SYNC_IN synchronization input source selection |
PCIE_PPS_OUT |
|||
J41 |
EXT_SYNC_IN |
PCIE_UIMC4 |
Reference clock selection for mPCIE exanpsion board (XTRX) |
LMK_CLK_OUT2 |
|||
J36 |
RPI_SYNC_OUT |
EXT_SYNC_OUT |
Synchronization output signal selection |
SYNC_OUT |
|||
PCIE_PPS_OUT |
|||
LMK_CLK_OUT3 |
|||
J42 |
RPI_SYNC_OUT |
SYNC_OUT |
PPS signal source selection |
FPGA_SYNC_OUT |
|||
R221 |
PCIE_PPS_IN |
PCIE_COEX1 |
PPS signal output for mPCIE expansion board (XTRX) |
R4 |
PCIE_PPS_IN |
PCIE_PETn0 |
PPS signal output for mPCIE expansion board (LoRa Semtech) |
R2 |
PCIE_PPS_IN |
PCIE_COEX2 |
PPS signal output for mPCIE expansion board (LoRa n-Fuse) and PPS output for (XTRX) |
R3 |
PCIE_COEX2 |
PCIE_PPS_OUT |
PPS signal input from mPCIE expansion board (XTRX) |
R8 |
PCIE_SMB_CLK |
PCIE_PPS_OUT |
Clock signal input from mPCIE expansion board (XTRX) |
LimePSB-RPCM board has several on-board crystal oscillator (XO) options that may be used as source for clock buffers (LMK00101). By default voltage controlled oven compensated crystal oscillators (VCOCXO) XO1 and XO6 are populated. Optional voltage controlled temperature compensated crystal oscillators XO2 – XO5 and XO7 – XO10 (VCTCXO) are not populated by default. All these XOs may be tuned by DAC (16-bit IC33 default or 8-bit IC35) or phase detector (IC34).
Clock network components are listed in table 22.
Designator |
Function |
Part number |
Parameters |
Description |
|---|---|---|---|---|
XO1 |
VCOCXO |
U7475LF 30.72MHz |
30.72 MHz |
|
XO6 |
VCOCXO |
U8073LF 10.0MHz |
10 HMz |
|
XO2, XO7 |
E6245LF 30.72 MHz |
30.72 MHz |
Not mounted |
|
XO3, XO8 |
E5280LF 30.72MHz |
30.72 MHz |
Not mounted |
|
XO4,XO9 |
VCTCXO |
RTX5032A, 40.00MHz |
40 MHz |
Not mounted |
XO5, XO10 |
ASVTX-12-A-38.400MHZ-H10-T |
38.4 MHz |
Not mounted |
|
IC33 |
DAC |
AD5662 |
16 Bit |
|
IC35 |
AD5601BKSZ-REEL7 |
8 Bit |
Not mounted |
|
IC30, IC36 |
Clock buffer |
LMK00105SQ/NOPB |
||
IC34 |
Phase detector |
ADF4002BCPZ-RL7 |
||
IC40 |
GNSS receiver |
NEO-M8Q |
RPI_SYNC mux (IC35) is needed for CM4 and CM5 compatibility purposes.
Power Distribution
LimePSB RPCM board power delivery network consists of different power rails with different regulators, voltages and filters. LimePSB RPCM board power distribution block diagram is presented in Figure 10.
Figure 10 LimePSB RPCM v1.3 board power distribution block diagram
LimePSB RPCM board may be supplied from USB Type-C port (USB Power delivery), Ethernet RJ45 port (PoE) or barrel DC connector (9-14V):
USB Type-C socket (9-12V 2.5 A or 1.5 A) may be used to supply LimePSB RPCM board. In this case make sure that USB Power Delivery 18W or more power adapter is used. Depending on application board requested current from source may be lowered from 2.5A to 1.5A by changing SW1 bit 3 to ON position.
RJ45 socket is an alternative way to supply the LimePSB RPCM board. Make sure PoE+ (802.3at) class 4 compliant power source is used.
Barrel connector (9-14V 2A) also may be used to power LimePSB RPCM board.
To keep on board RTC running and enable GNSS hardware backup mode when board power is disconnected lithium coin cell 3V CR1220 battery must be inserted into BATT1 battery holder.
References
Raspberry Pi, Compute Module 4 datasheet. URL: https://datasheets.raspberrypi.com/cm4/cm4-datasheet.pdf
Raspberry Pi, Compute Module 5 datasheet. URL: https://datasheets.raspberrypi.com/cm5/cm5-datasheet.pdf
PCI Express Mini Card Electromechanical Specification Revision 1.2. URL: https://pcisig.com/specifications/
Lime Microsystems, LimeSDR-XTRX. URL: https://github.com/myriadrf/LimeSDR-XTRX
n-fuse, Concentrator Card LRWCCx-MPCIE for LoRaWAN technology. URL: https://www.n-fuse.co/devices/LoRaWAN-Concentrator-Card-mini-PCIe.html
Semtech, SX1303CTSXXXGW1, LoRa Corecell Gateway Reference Design for Fine Timestamp Based on SX1303 for LoRa Core. URL: https://www.semtech.com/products/wireless-rf/lora-core/sx1303ctsxxxgw1
Texas Instruments, TUSB2036 2- or 3-Port Hub for the Universal Serial Bus With Optional Serial EEPROM Interface. URL: https://www.ti.com/lit/ds/symlink/tusb2036.pdf
Molex, 0022112052, KK 254 Solid Header, Vertical, with Friction Lock, 5 Circuits, Gold (Au) Plating, Bag. URL: https://www.molex.com/molex/products/part-detail/pcb_headers/0022112052
Differencies from LimePSB RPCM v1.2
Changes introduction
LimeSDR-PSB RPCM v1.3 implementation is based on LimeSDR-KEY RPCM v1.2 board with the schematic and PCB Layout changes described in this document. The major changes are added FPGA (Lattice), 10 MHZ OCXO with alternatives and GNSS receiver. This enables disciplined OCXO function from hardware perspective. For these modifications required to add two additional schematic sheets and change project structure
Board size and main components positions remained the same.
Minor Changes
Updated diagrams
Cosmetic changes (notes etc.)
Raspberry Pi Connector Changes
Disconnected PCIE_LED_WWAN from RPi GPIO16 and connected RPI_SPI1_SS2 (XO DAC SS).
Disconnected RPI_RF_SW_TDD from RPi GPIO6 and connected PCIE_LED_WWAN.
- Changed SPI interfaces:
RPI_SPI0 SS0 changed from XO DA to FPGA CFG
RPI_SPI1 SS1 changed from SR to FPGA
RPI_SPI1 SS2 connected to XO DAC (GPIO16 to FPGA)
- Board SPI interfaces:
RPI_SPI0 (3.3V): FPGA CFG (SS0 - GPIO8), ADF (SS1 - GPIO7)
RPI_SPI1 (3.3V): ADC (SS0 - GPIO18), FPGA (SS1 - GPIO17), XO DAC (SS2 - GPIO16 to FPGA)
RPI connector schematic changes are shown in Figure 11.
Figure 11 Raspberry Pi CM4/5 connector changes
Added bypass option for RPI_PIN11 as shown in Figure 12.
Figure 12 RPI_PIN11 analog mux changes
Miscellaneous changes
Connected FPGA_GPIO0 and FPGA_GPIO1 to J10 pins 10 and 12 instead GND pins as shown in figure 13.
Figure 13 GPIO connector changes
Changed shift registers to I2C I/O expander (MCP23017) because there was not enough SS pins on RPi.
Connected FPGA_CRESET and XO_VC_SEL to IO I2C expander
New I2C I/O expander schematic is given in Figure 14
Figure 14 new I2C I/O expander
Disconnected RPI_RF_SW_TDD and PCIE_UIM8 from RF_SW_TDD and connected FPGA_RF_SW_TDD. Resulting RFFE TDD control schematic is shown in Figure 15.
Figure 15 RFFE TDD control changes
Corrected FAN controller I2C address note.
Added EMC2301 CLK pull up for fan default drive setting decode.
Added EMC2301 PWM pull up.
Figure 16 Fan controller changes
FPGA changes
Added Lattice ICE5LP4K-SG48ITR FPGA. Schematics are designed for two FPGA configuration modes: Slave SPI (default) and master SPI. Connected GNSS interface, clocks, XO DAC, RPI_SPI1, RPI_I2C0, RPI_UART0, HW_VER, BOM_VER, FPGA_GPIO, TDD control and other lines to FPGA as shown in Figure 17.
Figure 17 New FPGA schematics
Added hard ware (HW_VER) and Bill of materials (BOM_VER) version indentification to schemtics as shown in Figure 18.
Figure 18 New HW_VER and BOM_VER schematics
Added new power rails (VCC1P2 and VCC2P5) for FPGA. FPGA power schematics are shown in Figure 19.
Figure 19 New FPGA power schematics
Added configuration flash for FPGA as shown in Figure 20.
Figure 20 New FPGA flash schematics
USB changes
Replaced USB 2.0 header (J27) with USB 3.0 header. Removed one of the USB 2.0 port and added USB 3.0 port. Renamed USB header power rail to VCC5P0_USB3H. New USB header shcemtics are given in Figure 21.
Figure 21 USB header changes
Replaced USB 3.0 port from dual USB top socket (J30) with a USB 2.0 port. Renamed dual USB as shown in Figure 22.
Figure 22 USB socket changes
From now on when CM4 is used all socket ports are USB2.0. When CM5 is used only bottom port is USB3.0.
Renamed dual USB top socket port signals prefixes to USB3H_1, since they are now connected to USB 3.0 header.
Figure 23 USB switch changes
Connected GNSS USB to USB HUB port 6 via 0R. Swapped some ports between USB header and socket. Changed USB2.0 hub OCS and PRTPWR lines connections according to swapped USB ports between USB header and socket. New USB hub schamtics are given in Figure 24.
Figure 24 USB hub changes
Clock changes
- Renamed clock buffer signals:
LMK_CLK_OUTn to LMKRF_CLK_OUTn
VCC3P3_LMK to VCC3P3_LMKRF
VCC3P3_LMK_VDDO to VCC3P3_LMKRF_VDDO
Resulting clock buffer schematics are shown in Figure 25.
Figure 25 Reference clock buffer changes
Connected XO DAC SPI to FPGA_SPI0. Added TCXO_DAC mux for two groups of XOs as shown in Figure 26.
Figure 26 XO DAC and mux changes
Added 10 MHz OCXO reference with alternatives and clock buffer.
Figure 27 XO New 10 MHz reference with clock buffer
Changed EXT_SYNC_OUT header (J36) wit a bigger one. Added new 10 MHz clock LMK10_CLK_OUT3 as one of possible EXT_SYNC_OUT sources.
Added new clock signal SYNC_OUT that can be sourced by RPI_SYNC_OUT or FPGA_SYNC_OUT. Added new header (J42) for RPI_SYNC_OUT/FPGA_SYNC_OUT path selection to SYNC_OUT.
Changed REF_CLK_IN header (J38) input signal RPI_SYNC_OUT to LMK10_CLK_OUT2.
Changed PCIE_PPS_IN header (J39) input signal RPI_SYNC_OUT to SYNC_OUT.
New clock schematics are given in Figure 28.
Figure 28 Clock config jumpers and connectors changes
Added GNSS receiver ublox NEO-M8Q. Possible to use LynQ N20B (without USB).
Added ESDs for Dual USB 3.0 socket.
Figure 29 New GNSS receiver
Power changes
Added new LDOs for VCC3P3_CLK2, VCC1P2 and VCC2P5
Figure 30 New GNSS receiver
PCB changes
Layout and PCB changes for LimePSB-RPCM v1.3 board are as follows:
Changes made according to schematic
Board size and main components positions remained the same
Figure 31 LimePSB-RPCM v1.3 3D top view
Figure 32 LimePSB-RPCM v1.3 3D bottom view